同城喝茶微信电话联系,莞式服务18个半流程有啥流程,惠州24小时上门茶600左右

1 2 3 4
热点新闻
热搜关键词
联系我们

河北惠隆液压机械有限公司

电话:0318-7538821

传真:0318-7811696

邮箱:huilong7538821@163.com

地址:河北安平高新技术产业开发区纬三路19号

液压过滤系列
高压滤油器
产品介绍:
  技术参数:  1 公称流量:110L min。  2 过滤精度:10um;过滤比β10≥200。  3 公称压力:6 3MPa,允许压力损失:0 5Mpa。...
服务热线:0318-7538821
在线咨询:
在线咨询:
详细介绍
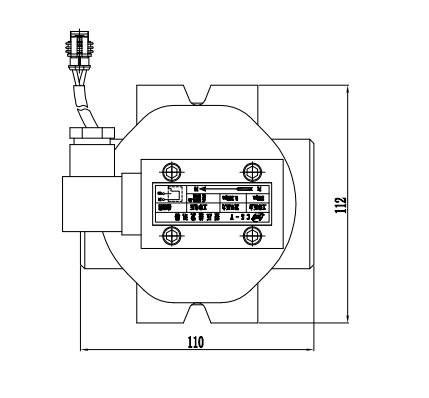
  一、技术参数

  1.公称流量:110L/min。

  2.过滤精度:10um;过滤比β10≥200。

  3.公称压力:6.3MPa,允许压力损失:0.5Mpa。

  4.旁通阀开启压力0.7MPa。

  5.压差发讯器发讯压力0.35MPa

  高压滤清器外形尺寸

本文网址:http://m.0731safe.cn/chanpin/nongye/yeyaguolv/8.html

关键词:

上一篇:XYL吸油滤清器

下一篇:滤芯

在线订购
最近浏览
  • 吸回油过滤器

  • 高压滤油器

  • XYL吸油滤清器

相关新闻
相关产品

液压过滤器 | 油水分离器 | 燃油精滤器 | 吸油滤清器 | 回油滤清器 | 滤芯 | 网站地图

版权所有:河北惠隆液压机械有限公司专业从事液压过滤器、油水分离器、燃油精滤器、吸油滤清器、回油滤清器、滤芯欢迎来电咨询!

地址:河北省衡水市安平县城东开发区经四路 技术支持:荣力达科技 冀ICP备1812385号-1 营业执照

主站蜘蛛池模板: 双辽市| 云南省| 商城县| 天峨县| 梨树县| 长泰县| 永平县| 秦皇岛市| 威信县| 大港区| 原阳县| 博湖县| 莲花县| 石台县| 沁阳市| 海口市| 石楼县| 黄龙县| 苍山县| 景德镇市| 津南区| 晋江市| 河北区| 察哈| 新巴尔虎右旗| 清水河县| 灯塔市| 旬阳县| 阆中市| 河曲县| 廊坊市| 耿马| 延吉市| 塘沽区| 佛冈县| 平顶山市| 三河市| 双江| 湖南省| 双辽市| 潜山县|