本系列滤清器设有旁通阀、滤芯污染堵塞发讯器等装置,可以有效的观察滤芯使用情况,避免出现吸真空现象。
特点:设计新颖、安装方便、通油能力大、阻力小,清洗或更换滤芯方便等优点。"
| 产品型号 | 工作流量L/min | 工作压力MPa | 爆破压力MPa |
允许压力损失MPa |
工作温度℃ |
过滤介质 |
旁通阀开启压力MPa |
| XYL-11 | 100 | 0.7 | 2 | 0.01 | -10~100 | N100或N100D传动液压两用油 | -0.03 |
| XYL-14 | 50 | 0.7 | 2 | 0.01 | -10~100 | N100传动液压两用油 | -0.03 |
| XYL-15 | 100 | 0.7 | 2 | 0.01 | -10~100 | 雪佛龙多功能液压传动油(YTDH) | -0.03 |
注:我公司可根据客户要求为其定做产品。
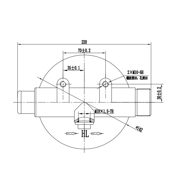
XYL系列吸油滤清器外形尺寸:


本文网址:http://m.0731safe.cn/chanpin/nongye/yeyaguolv/7.html
关键词:
上一篇:TF系列箱外自封式吸油过滤器
下一篇:高压滤油器